16 Mar,2026
Zupčanik naspram lopatica naspram klipa: Koja industrijska hidraulička pumpa nudi najbolju učinkovitost?


Motori s visokim pritiskom, brzim pogonom i balans ventilima,
Dizajniran je za uvjete visokog opterećenja
To je idealno rješenje za hidraulički bager od 6 do 50 tona
Učinkovit i kompaktan dizajn
Visokotlačna tehnologija povećava učinkovitost hidrauličkog sustava
Dvobrzinski motor s integriranim balans ventilom i ventilom za smanjenje tlaka
Motor integrira funkciju hidrauličkog kočenja
Brzina se može automatski promijeniti na zahtjev
Niska temperatura, visoka učinkovitost
Raspon radne temperature: -20°C~80°C
Kompaktan dizajn
Visokotlačni motori male zapremine produljuju radni vijek važnih komponenti i poboljšavaju cjelinu
Trajnost sustava
Potpuno bakrena košuljica za rotaciju hidrauličkog klipa
Dvostruka metalna (bakar/čelik) ladica za distribuciju
Kombinacija rotacije s posebnim opružnim sustavom produljuje vijek trajanja motora
Trostruki sustav brtvljenja reduktora: mehanička labirintska brtva, V-tip uljne brtve, glavna uljna brtva.
Glavna uljna brtva se može zamijeniti bez rastavljanja reduktora
Ležajevi reduktora su neovisne komponente, jednostavne za ugradnju i mogu se potpuno unaprijed namjestiti za negativna opterećenja
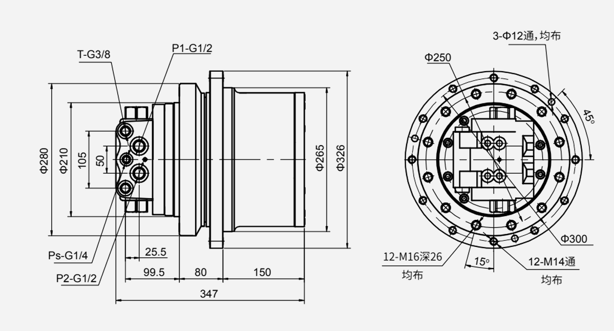
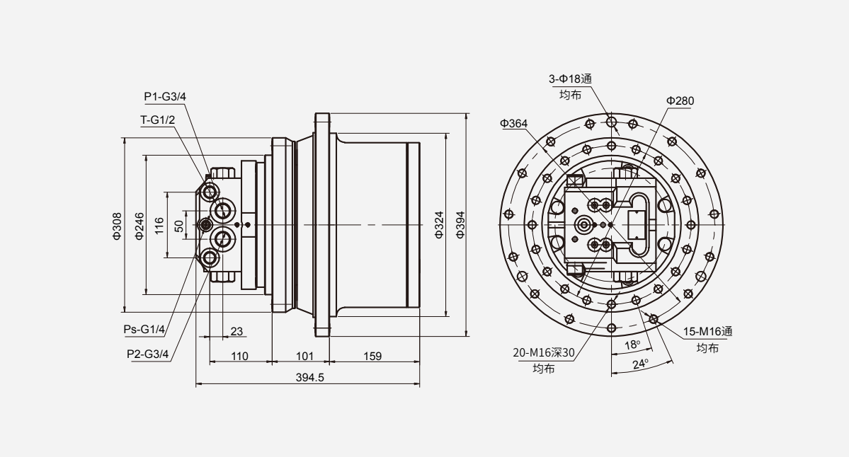
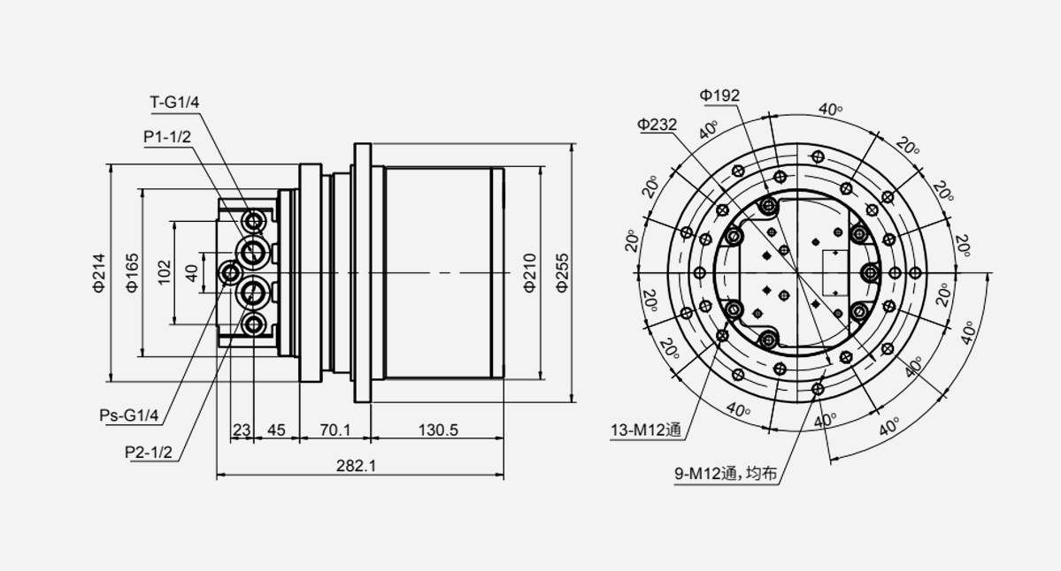
ITM01:
| Modalninininininininininini | (L/min) | (ML/r) | (Mpa) | (Mpa) | Prijenosni omjer | (N.m) | (o/min) | Rotacija | (℃) | (mm2/s) |
| ITM01 | 20 | 6,31/12,56 | 25 | 2-7 (prikaz, ostalo). (prikaz, ostalo). (prikaz, ostalo). (prikaz, ostalo). (prikaz, ostalo). (prikaz, ostalo). (prikaz, ostalo). (prikaz, ostalo). (prikaz, ostalo). (prikaz, ostalo). (prikaz, ostalo). | 36.96 | 1845 | 85.8/43 | dvosmjerni | -20- 80 | 16-25 (prikaz, ostalo). (prikaz, ostalo). (prikaz, ostalo). (prikaz, ostalo). (prikaz, ostalo). (prikaz, ostalo). (prikaz, ostalo). (prikaz, ostalo). (prikaz, ostalo). (prikaz, ostalo). (prikaz, ostalo). |
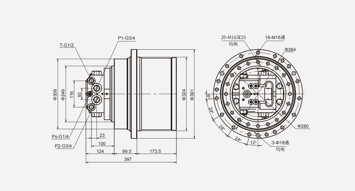
| Modal | (L/min) | (ML/r) | (Mpa) | (Mpa) | Prijenosni omjer | (N.m) | (o/min) | Rotacija | (℃) | (mm2/s) |
| ITM03 | 40 | 12/18 | 21 | 2-7 | 45.2 | 2719 | 55/37 | dvosmjerni | -20- 80 | 16-25 |
ITM04:
| Modal | (L/min) | (ML/r) Motor | (Mpa) | (Mpa) | Prijenosni omjer | (N.m) | (o/min) | Rotacija | (℃) ulje | (mm2/s) |
| ITM04 | 40 | 14.3/23.6 | 21 | 2-7 | 52.7 | 4200 | 55/33 | dvosmjerni | -20- 80 | 16-25 |
| Modal | (L/min) Ulazni protok | (ML/r) | (Mpa) | (Mpa) | Prijenosni omjer | (N.m) | (o/min) | Rotacija | (℃) | (mm2/s) |
| ITM06 | 50 | 19/34 | 24.5 | 2-7 | 47.53 | 6300 | 55/30 | dvosmjerni | -20- 80 | 16-25 |
| Modal | (L/min) Ulazni protok | (ML/r) | (Mpa) Radni tlak | (Mpa) | Prijenosni omjer | (N.m) | (o/min) | Rotacija | (℃) ulje | (mm2/s) |
| ITM07 | 50 | 22/44 | 27.5 | 2-7 | 53.706 | 10500 | 50/25 | dvosmjerni | -20- 80 | 16-25 |
ITM09:
| Modal | (L/min) | (ML/r) | (Mpa) | (Mpa) | Prijenosni omjer | (N.m) | (o/min) | Rotacija | (℃) | (mm2/s) |
| ITM09 | 80 | 34/53 | 30 | 2-7 | 53.7 | 11500 | 51/33 | dvosmjerni | -20- 80 | 16-25 |
| Modal | (L/min) | (ML/r) | (Mpa) | (Mpa) | Prijenosni omjer | (N.m) | (o/min) | Rotacija | (℃) | (mm2/s) |
| ITM10 | 80 | 38/65 | 25 | 2-7 | 53.7 | 13000 | 51/33 | dvosmjerni | -20- 80 | 16-25 |
| Modal | (L/min) | (ML/r) | (Mpa) | (Mpa) | Prijenosni omjer | (N.m) | (o/min) | Rotacija | (℃) | (mm2/s) |
| ITM18 | 130 | 43/67 | 30 | 2-7 | 53 | 16900 | 57/37 | dvosmjerni | -20- 80 | 16-25 |
| Modal | (L/min) | (ML/r) | (Mpa) | (Mpa) | Prijenosni omjer | (N.m) | (o/min) | Rotacija | (℃) | (mm2/s) | Primjenjivo modeli |
| ITM22 | 130 | 48/81 | 34.3 | 2-7 | 53.7 | 23700 | 50/30 | dvosmjerni | -20- 80 | 16-25 | 13-17 (prikaz, ostalo). |
| Modal | (L/min) | (ML/r) | (Mpa) | (Mpa) | Prijenosni omjer | (N.m) | (o/min) Teorijski | Rotacija | (℃) | (mm2/s) |
| ITM40 | 230 | 99/147 | 34.3 | 2-7 | 50.5 | 40546 | 50/32 | dvosmjerni | -20- 80 | 16-25 |
| Modal | (L/min) | (ML/r) | (Mpa) | (Mpa) | Prijenosni omjer | (N.m) | (o/min) | Rotacija | (℃) | (mm2/s) |
| ITM60 | 330 | 195/120 | 34.3 | 2-7 | 63.84 | 67000 | 40/26 | dvosmjerni | -20- 80 | 16-25 |
Korisnici duboko vjeruju proizvodima poznatih tvrtki.
Godine iskustva u industriji
Područje tvornice
Vješti zaposlenici
Napredna proizvodna linija
INI Hydraulic Co., Ltd. specijaliziran je za dizajniranje i proizvodnju hidrauličnih krila, hidrauličnih motora i planetarnih oprema više od 20 godina. Mi smo jedan od profesionalnih dostavljača zgrade strojeva u Aziji. Naš način je da živimo u tržištu. Preko 26 godina, vodeći se posvećenjem uvijek inovacije za zadovoljavanje potreba mušterija, razvili smo širok niz linija proizvoda na temelju naših samozvijenih tehnologija. Široki spektr proizvoda, svaki korelacioni intimno, sadrži hidraulične i električne krila, planetarne opreme-kutije, propalice, prijenosne vozile, hidraulične motore, pumpe i hidraulične sustave.
Pouzdanost naših proizvoda snažno je dokazana u različitim primjenama, uključujući ne ograničavajuće industrijske strojeve, građevinske strojeve, brodske i palubne strojeve, off-shore opremu, rudarske i metalurške strojeve.
Osim toga, kvalitetu naših proizvoda potvrdilo je više svjetski poznatih certifikacijskih tijela. Certifikati koje su naši proizvodi dobili uključuju EC certifikat o ispitivanju tipa, BV MODE, DNV GL certifikat, EC potvrdu o sukladnosti, certifikat o tipskom odobrenju za pomorski proizvod i Lloyd's Register osiguranje kvalitete. Do sada smo, osim Kine, našeg domaćeg tržišta, naširoko izvozili naše proizvode u Sjedinjene Države, Njemačku, Nizozemsku, Australiju, Rusiju, Tursku, Singapur, Japan, Južnu Koreju, Maleziju, Vijetnam, Indiju i Iran. Naše logističke i postprodajne usluge pokrivaju cijeli svijet brzo i pouzdano za duboke interese naših kupaca.
16 Mar,2026
09 Mar,2026
02 Mar,2026
23 Feb,2026
16 Feb,2026
09 Feb,2026
02 Feb,2026
TOP