16 Mar,2026
Zupčanik naspram lopatica naspram klipa: Koja industrijska hidraulička pumpa nudi najbolju učinkovitost?






Okretna dizalica za vozila je jedan od naših novo lansiranih hidrauličkih proizvoda. Nadmašuje svoju posljednju generaciju i nadmašuje postojeće slične proizvode na tržištu zbog usvajanja naše najnovije hidrauličke mehaničke tehnologije koju smo sami razvili.
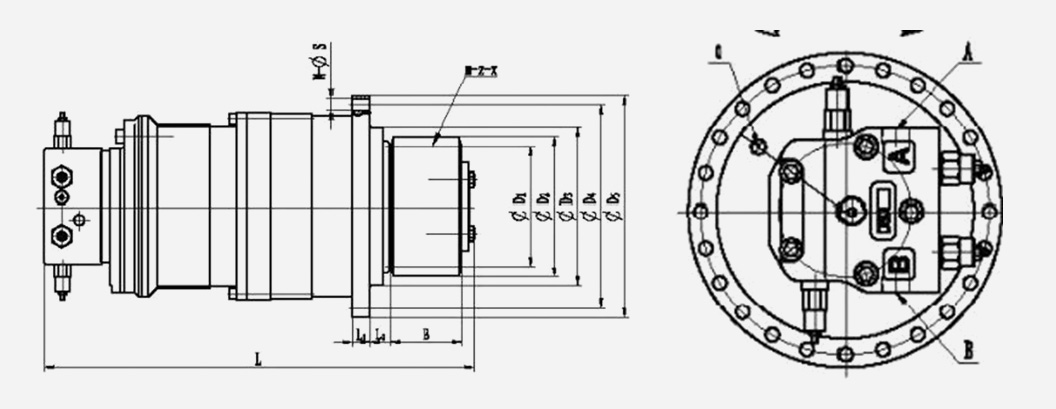
| Serijski kod | Nazivni zakretni moment | Nazivna brzina (N.m) | Ukupni pomak | Radni tlak | Omjer | Parametri zupčanika | Ukupne dimenzije i specifikacije otvora za ulje | ||||||||||||||
| M | Z | X | B | D1 | D2 | D3 | D4 | D5 | L1 | L2 | L | N | S | A.B | 0 | ||||||
| IYH2.5-A | 800-2000 (prikaz, stručni). (prikaz, stručni). (prikaz, stručni). (prikaz, stručni). | 0-120 (prikaz, stručni). (prikaz, stručni). (prikaz, stručni). (prikaz, stručni). | 430-1057 (prikaz, ostalo). (prikaz, ostalo). (prikaz, ostalo). (prikaz, ostalo). | 16 | 5/5,5/7 | 5 | 17 | 0.5 | 70 | 85 | 99.5 | 180 | 230 | 250 | 20 | 24 | 478 | 24 | 11 | N22x1,5 | G1/4' |
| IYH2.5-B | 800-2000 | 0-120 | 430-1057 | 16 | 5/5,5/7 | 6 | 17 | 0.5 | 60 | 102 | 118.8 | 180 | 230 | 250 | 20 | 24 | 468 | 24 | 11 | N22x1,5 | G1/4' |
| IYH2.5-C | 800-2000 | 0-120 | 430-1057 | 16 | 5/5,5/7 | 8 | 17 | 0.5 | 54 | 136 | 159.04 | 180 | 230 | 250 | 20 | 24 | 462 | 24 | 11 | N22x1,5 | G1/4' |
| IYH2.5-0 | 800-2000 | 0-120 | 430-1057 | 16 | 5/5,5/7 | 12 | 13 | 0.5 | 8D | 156 | 191.64 | 180 | 230 | 250 | 20 | 24 | 488 | 24 | 11 | N22x1,5 | G1/4' |
| IYH2.53-A | 3000-6500 | 0-32.5 | 1720-3320 | 16 | 20/28 | 6 | 17 | 0.5 | 60 | 102 | 118.8 | 250 | 290 | 320 | 20 | 75 | 565 | 16 | 17 | N22x1,5 | G1/4' |
| IYH2.53-B | 3000-6500 | 0-32.5 | 1720-3320 | 16 | 20/28 | 8 | 15 | 0.63 | 80 | 120 | 45.63 | 250 | 290 | 320 | 20 | 75 | 585 | 16 | 17 | N22x1,5 | G1/4' |
| IYH2.540 | 3000-6500 | 0-32.5 | 1720-3320 | 16 | 20/28 | 10 | 13 | 0.5 | 85 | 130 | 160 | 250 | 290 | 320 | 20 | 15 | 590 | 16 | 17 | N22x1,5 | G1/4' |
| IYH3-A | 2600-5316 | 0-100 | 1344-2711.5 | 16 | 5/5,5/7 | 6 | 17 | 0.5 | 60 | 102 | 118.8 | 235 | 252 | 270 | 38 | 90.5 | 483 | 24 | 10.5 | N22x1,5 | G1/2' |
| IYH3-B | 2620-5316 | 0-100 | 1344-2711.5 | 16 | 5/5,5/7 | 8 | 15 | 0.5 | 60 | 120 | 143.24 | 235 | 252 | 270 | 38 | 90.5 | 483 | 24 | 10.5 | N22x1,5 | G1/2' |
| IYH3-C | 2600-5316 | 0-190 (prikaz, stručni). | 1344-2711.5 | 16 | 5/5,5/7 | 10 | 12 | 0.63 | 80 | 120 | 149 | 235 | 252 | 270 | 38 | 905 | 503 | 24 | 10.5 | N22x1,5 | G1/2' |
| IYH3-D | 2690-5316 | 0-100 | 1344-2711.5 | 16 | 5/5,5/7 | 12 | 15 | 0.65 | 90 | 180 | 416.39 | 235 | 252 | 270 | 38 | 90.5 | 513 | 24 | 10.5 | N22x1,5 | G1/2' |
| IYH4-A | 4873-10886 | 0-90 (prikaz, stručni). (prikaz, stručni). (prikaz, stručni). (prikaz, stručni). | 2430-5428.5 | 16 | 5/5,5/7 | 10 | 17 | 0.6 | 85 | 170 | 200.64 | 330 | 370 | 400 | 24.5 | 123 | 625 | 24 | 17 | M33x2 | G1/2' |
| IYE4-B | 4873-10886 | 0-90 | 2430-5428.5 | 16 | 5/5,5/7 | 12 | 13 | 0.5 | 100 | 156 | 191.5 | 330 | 370 | 400 | 24.5 | 123 | 640 | 24 | 11 | M33x2 | G1/2' |
| NEHC | 4873-10886 | 0-90 | 2430-5428.5 | 16 | 5/5,5/7 | 14 | 15 | 0.5 | 100 | 210 | 250.58 | 330 | 370 | 400 | 24.5 | 123 | 640 | 24 | 17 | M33x2 | G1/2' |
| IYE4-D | 4873-10386 | 0-90 | 2430-5428.5 | 16 | 5/5,5/7 | 16 | 12 | 0.5 | 100 | 192 | 238.4 | 330 | 370 | 400 | 24.5 | 123 | 640 | 24 | 17 | M33x2 | G1/2' |
| IYES-A | 13195-22136 | 0-40 | 6580-11038.5 | 16 | 5/5,5/7 | 12 | 18 | 0.564 | 85 | 216 | 252.03 | 400 | 432 | 460 | 22 | 179 | 979 | 24 | 17 | φ50 | G1/2' |
| IYE5-B | 13195-22136 | 0-40 | 6580-11038.5 | 16 | 5/5,5/7 | 14 | 15 | 0.5 | 100 | 210 | 250.50 | 400 | 432 | 460 | 22 | 179 | 994 | 24 | 17 | φ50 | G1/2' |
| IYE5-C | 13195-22136 | 0-40 | 6580-11038.5 | 16 | 5/5,5/7 | 16 | 12 | 0.5 | 100 | 192 | 237.92 | 400 | 432 | 460 | 22 | 179 | 994 | 24 | 17 | φ50 | G1/2' |
| IYE6-A | 25197-33540 | 0-35 (prikaz, stručni). (prikaz, stručni). | 12565-16725.5 | 16 | 5/5,5/7 | 16 | 17 | 0.5 | 150 | 272 | 320 | 495 | 525 | 565 | 35 | 235 | 1215 | 24 | 21 | φ50 | G1/2' |
| IYE6-B | 25197-33540 | 0-35 | 12565-16725.5 | 16 | 5/5,5/7 | 20 | 15 | 0.5 | 160 | 300 | 359.6 | 495 | 525 | 565 | 35 | 235 | 1225 | 24 | 21 | φ50 | G1/2' |
| IYE34-4 | 12000-18000 | 0-5,5 | 6622-11165 | 16 | 38.5 | 12 | 12 | 0.5 | 100 | 144 | 180 | 330 | 370 | 400 | 40 | 125.5 | 663 | 24 | 17 | M33x2 | G1/4' |
| IYB34-B | 12000-18000 | 0-5,5 | 6622-1116 | 16 | 38.5 | 14 | 14 | 0.5 | 100 | 196 | 236.6 | 330 | 370 | 400 | 40 | 125.5 | 663 | 24 | 17 | M33x2 | G1/4' |
| IYE45-4 | 13000-25000 | 0-22 | 7028-13804 | 16 | 28 | 12 | 14 | 0.5 | 90 | 168 | 202.8 | 426 | 455 | 490 | 25 | 94 | 770 | 32 | 21 | M33x2 | G1/2' |
| IY845-B | 13000-25000 | P-22 | 7028-13804 | 16 | 28 | 14 | 15 | 0.5 | 100 | 210 | 250.58 | 426 | 455 | 490 | 25 | 94 | 780 | 32 | 21 | M33x2 | G1/2' |
| IYB45-C | 13000-25000 | 0-22 | 7028-13804 | 16 | 28 | 16 | 12 | 0.5 | 100 | 192 | 237.92 | 426 | 455 | 490 | 25 | 94 | 780 | 32 | 21 | M33x2 | G1/2' |
| IYE56-A | 32740-61406 | 0-11 | 16660-31248 | 16 | 28 | 16 | 17 | 0.5 | 150 | 272 | 320 | 510 | 545 | 580 | 30 | 351 | 995 | 30 | 21 | M33x2 | G1/2' |
| IY856-1 | 32740-61406 | 0-11 | 16660-31248 | 16 | 28 | 18 | 14 | 0.5 | 180 | 252 | 306.18 | 510 | 545 | 5RQ | 30 | 351 | 1025 | 30 | 21 | M33x2 | G1/2' |
| IYE56-C | 32740-61406 | 0-11 | 16660-31248 | 16 | 28 | 20 | 14 | 0.4 | 194 | 280 | 329.48 | 510 | 545 | 580 | 30 | 351 | 1039 | 30 | 21 | M33x2 | G1/2' |
| IYBS7-A | 63000-90000 | 0-8 | 33180-45752 | 16 | 28 | 22 | 14 | 0.5 | 200 | 308 | 374 | 605 | 650 | 700 | 36 | 235 | 465 | 36 | 25 | M33x2 | G1/2' |
| IY857-B | 63080-90000 | 0-8 | 33180-45752 | 16 | 28 | 20 | 13 | 0.5 | 180 | 260 | 320 | 605 | 650 | 700 | 36 | 235 | 445 | 36 | 25 | M33x2 | G1/2' |
| IYE57-C | 63000-90000 | 0 | 33180-45152 | 16 | 28 | 18 | 17 | 0.5 | 140 | 306 | 360 | 605 | 650 | 100 | 36 | 235 | 1405 | 36 | 25 | M33x2 | G1/2' |
| IYH67-0 | 63000-9000 | 0-8 | 33180-45752 | 16 | 28 | 16 | 15 | 0.5 | 125 | 240 | 281.5 | 605 | 650 | 700 | 36 | 235 | 1390 | 36 | 25 | M33x2 | G1/2' |
| IYES7-E | 63000-90000 | 0-8 | 33180-45752 | 16 | 28 | 40 | 12 | 0.63 | 169 | 480 | 529.6 | 605 | 650 | 700 | 36 | 235 | 385 | 36 | 25 | M33x2 | G1/2' |
| IYB79-A | 110000-160000 | 0-10 | 55285-85148 | 16 | 22/28 | 22 | 14 | 0.5 | 200 | 308 | 374 | 760 | 810 | 850 | 40 | 449.5 | 157 | 36 | 25 | φ50 | G1/2' |
| IYR79-B | 110000-160000 | 0-10 | 55286-85148 | 16 | 22/28 | 20 | 13 | 0.5 | 180 | 260 | 320 | 760 | 10 | 850 | 40 | 449.5 | 155 | 36 | 25 | φ50 | G1/2' |
| IYB79-C | 110000-160000 | 0-10 | 55286-85148 | 16 | 22/28 | 18 | 17 | 0.5 | 140 | 306 | 360 | 760 | 810 | 850 | 40 | 449.5 | 1511 | 36 | 25 | φ50 | G1/2' |
| IYB79-D | 110000-160000 | 0-10 | 55286-85148 | 16 | 22/28 | 40 | 12 | 0.63 | 160 | 480 | 529.6 | 760 | 810 | 850 | 40 | 449.5 | 531 | 36 | 25 | φ50 | G1/2' |
Korisnici duboko vjeruju proizvodima poznatih tvrtki.
Godine iskustva u industriji
Područje tvornice
Vješti zaposlenici
Napredna proizvodna linija
INI Hydraulic Co., Ltd. specijaliziran je za dizajniranje i proizvodnju hidrauličnih krila, hidrauličnih motora i planetarnih oprema više od 20 godina. Mi smo jedan od profesionalnih dostavljača zgrade strojeva u Aziji. Naš način je da živimo u tržištu. Preko 26 godina, vodeći se posvećenjem uvijek inovacije za zadovoljavanje potreba mušterija, razvili smo širok niz linija proizvoda na temelju naših samozvijenih tehnologija. Široki spektr proizvoda, svaki korelacioni intimno, sadrži hidraulične i električne krila, planetarne opreme-kutije, propalice, prijenosne vozile, hidraulične motore, pumpe i hidraulične sustave.
Pouzdanost naših proizvoda snažno je dokazana u različitim primjenama, uključujući ne ograničavajuće industrijske strojeve, građevinske strojeve, brodske i palubne strojeve, off-shore opremu, rudarske i metalurške strojeve.
Osim toga, kvalitetu naših proizvoda potvrdilo je više svjetski poznatih certifikacijskih tijela. Certifikati koje su naši proizvodi dobili uključuju EC certifikat o ispitivanju tipa, BV MODE, DNV GL certifikat, EC potvrdu o sukladnosti, certifikat o tipskom odobrenju za pomorski proizvod i Lloyd's Register osiguranje kvalitete. Do sada smo, osim Kine, našeg domaćeg tržišta, naširoko izvozili naše proizvode u Sjedinjene Države, Njemačku, Nizozemsku, Australiju, Rusiju, Tursku, Singapur, Japan, Južnu Koreju, Maleziju, Vijetnam, Indiju i Iran. Naše logističke i postprodajne usluge pokrivaju cijeli svijet brzo i pouzdano za duboke interese naših kupaca.
16 Mar,2026
09 Mar,2026
02 Mar,2026
23 Feb,2026
16 Feb,2026
09 Feb,2026
02 Feb,2026
TOP